Klucze blokowane SCHALLER M6 135 Staggered (RU,6L)
Ceny podane bez kosztów dostawy.
Ceny podane bez kosztów dostawy.
Kod produktu: TU-LT-M6135-ST-RU-6L
Czas dostawy: 1 dzień roboczy
Koszty dostawy wybranego produktu
-
InPost Paczkomaty 24/7 Darmowa
Czas dostawy: 1 dzień roboczy
-
InPost Kurier Darmowa
Czas dostawy: 1 dzień roboczy
-
List polecony Darmowa
Przewidywany czas dostawy: 3-7 dni roboczych
-
List polecony priorytetowy Darmowa
Przewidywany czas dostawy: 1-3 dni roboczych
Cena dostawy dotyczy tego produktu (w wybranym wariancie - jeśli dotyczy). Może się ona zmienić po dodaniu innych produktów do koszyka.
Zapytaj o produkt
Administratorem danych osobowych jest IN TUNE Robert Wultański. Przetwarzamy je w celu przesłania odpowiedzi na zapytanie. Więcej informacji dotyczących przetwarzania danych osobowych znajduje się w polityce prywatności.
Udostępnianie karty produktu
Opis
Od 1945 roku Schaller jest średniej wielkości firmą w branży muzycznej, sprzedającą swoje produkty na całym świecie. Jakość Schallera jest już legendarna - wszystko jest "made in Germany", a nawet lepiej: "made by Schaller". To precyzyjna praca rzemieślnicza! Z ponad 100-ma wysoko wykwalifikowanymi pracownikami firmy wszystkie produkty są produkowane we własnym zakresie. Schaller nadal jest liderem jeśli chodzi o innowacyjne rozwiązania. Dużo znanych producentów gitar, takich jak Fender, Gibson, Paul Reed Smith, Rickenbacker, MusicMan używa komponentów tej firmy, takich jak maszynki, przetworniki, mosty, tremolo, security locks, itp.
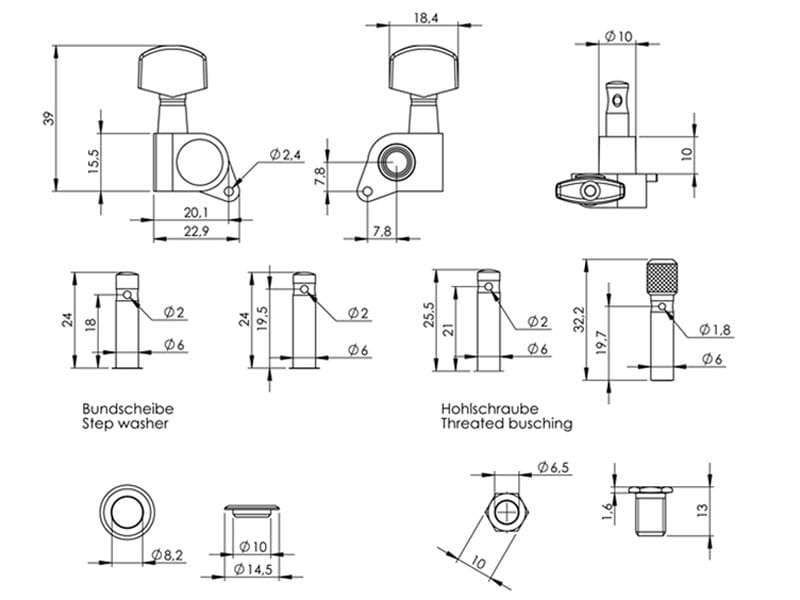
Klucze blokowane z serii M6. Tradycyjne blokowanie strun tylnym pokretłem.
Wersja staggered z dwoma wysokosciami trzpieni, dłuższymi 21,0mm dla strun
basowych i krótszymi 19,0mm dla strun wiolinowych.
Wszystkie wymiary na załączonym zdjęciu.
Made in Germany
Kod produktu: 10020620.01.50
Cechy produktu
Kolor - hardware
- Kolor osprzętu Ruthenium (RU)
Klucze gitarowe - specyfikacja
- Konfiguracja kluczy Komplet 6L
- Typ kluczy Blokowane (Traditional Lock)
- Wysokość trzpieni 2 wysokości (staggered)
- Przełożenie 1:18
- Typ pokrętła 07
- Średnica otworu Standard (10mm)
- Miejsce śrubki 1 śrubka 45st.